Épületirányítási alternatívák
2003/7-8. lapszám | VGF&HKL online | 3445 |
Figylem! Ez a cikk 23 éve frissült utoljára. A benne szereplő információk mára aktualitásukat veszíthették, valamint a tartalom helyenként hiányos lehet (képek, táblázatok stb.).
Az „intelligens épület” kérdése manapság egyre inkább az érdeklődés homlokterébe kerül. Nem csoda: egyrészt a technológiai-gazdasági fejlődés eredményeképp az emberek egyre igényesebbek, komfortigényük nagyobb, másrészt az épületgépészet növekvő aránya megköveteli a részegységek közös irányítását, összehangolását. Az egyes berendezések (pl. kazánok, légkezelők) gyártói saját gépeiket, rendszereiket egyre okosabbá teszik, de az épülettechnika összekapcsolása még mindig egyedi megoldásokat kíván.
Ugyanis adódhatnak problémák a különféle irányítások korlátaiból. Például sok egyszerűbb kazán vezérléséhez nem kapcsolható solar-rendszer, vagy a kazánról egyszerre vezérelt radiátoros- és padlófűtés-kört nem lehet külön szabályozni, esetleg a zónásítás, azaz a helyiségek külön-külön, vagy időbeni szabályozása megoldhatatlan vagy indokolatlanul drága lenne. Ezért több kisebb-nagyobb cég alakult rendszerirányítási feladatok megoldására, illetve vette fel a palettájára a témát. Az alábbiakban az egyik lehetséges variációról írunk.

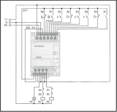
Ebben az esetben az alaphelyzet, hogy a többféle gépészeti rendszerhez többféle érzékelő- és egyfajta irányítóberendezésből raknak össze egy komplex vezérlést. Az alap egy mikroproceszszoros vezérlőegység, amit egyébként az iparban alkalmaznak. Minden rendszert ugyanazzal a készülékcsaláddal lehet kivitelezni, csak más programot kell beletölteni. Így a javítás vagy bővítés esetén a szerelőnek elegendő egy-két típust és bővítőt magával vinnie a helyszínre. Fontos, hogy a programon kívül a rendszer minden részegysége csereszabatos, be- és kimenetei szabványosak, így pótlásuk nem okoz gondot. Nagymértékben megkönnyíti a bővítést az is, hogy egy újabb szelep, érzékelő vagy szivattyú utólagos bekötésekor szinte csak a programot kell módosítani, így a rendszerbe történő illesztéséhez nem kell semmilyen kiegészítő eszköz. A betöltött program nyomtatásban és adathordozón dokumentálásra kerül. A vezérlőhöz csatlakoztathatók külső-, helyiség- és rendszerhőmérséklet-érzékelők, valamint kimenetek, azaz a HMV, keringtető, padlófűtés, váltószelep, radiátorszelep irányítására képes szerkezetek. Hogy mindez működjön, szükség van egy számítógépes programra. A szakember, miután felszerelte a fent említett eszközöket, betölti a vezérlőegységbe az épületgépészeti alapprogramot, (vagy előre programozva viszi a helyszínre), majd a létesítmény helyi sajátosságának, illetve a megrendelő igényeinek megfelelően módosítja azt.

Elektromos állítószelepeket.tartalmazó hálózat esetén a lerakódások okozta eltömődések elkerülésének érdekében egy programrészlet minden fűtési ciklus elején rövid időre teljesen nyitásba vezérli a szelepeket, így a hordalék eltávozhat. A cirkulációs szivattyúk beállásának megakadályozásának érdekében a vezérlőbe épített naptár alapján programozott „járatás” alakítható ki. Az összes szelep egyidejű lezárását a program nem engedi, így az áramlás csökkenése nem okozhatja a kazán túlmelegedését.
A vezérlőkészülék az üzembe helyezés után az érzékelőin keresztül elkezd adatokat gyűjteni (felfűtési idő, max./min. hőmérséklet stb.) melyeket a készülék a „betanulási idő” alatt a nem-felejtő memóriában eltárol, és későbbi működése során ezen adatokat alapjelként felhasználja. Bizonyos érzékelők meghibásodásakor (hihetetlen értékek mérése esetén) a központi egység ún. „biztonsági állapotba” kerül, mikor is a proceszszor a korábban rögzített, átlagolt adatokkal helyettesíti a hiányzó jelet. Például ha a szobatermosztát hibája esetén vagy nyitva felejtett ajtó miatt a „parancsolt” hőmérsékletet nem sikerül elérni, így kazán addig fűtene, amíg le nem kapcsolják. De az intelligens vezérlőegység a kazánt a korábban mért leghoszszabb fűtési idő letelte után automatikusan kikapcsolja, így meggátolja az épület túlfűtését és az indokolatlan fogyasztást. A készülékből kiolvashatók a környezeti, beltéri hőmérséklet és a fűtővíz legalacsonyabb és legmagasabb értékei, szivattyú-üzemidők, melyek a szerelő, a gépész számára a javítás vagy a gazdaságos üzemeltetés során fontos információk lehetnek. A rendszer kezelése történhet egyszerű kapcsolós, visszajelzős termosztátokról, vagy színes, illetve monokróm, beépített vagy távirányítós érintőképernyőn keresztül ikonok segítségével is. Igényesebb felépítésű vezérlővel már összetettebb gépészeti megoldások is kényelmesen kezelhetők (hűtés, fűtés, szellőzés stb.). A működéshez szükséges beállítások a készülék vagy a terminál gombjainak segítségével valósulnak meg. A képernyőkön csak a felhasználó számára fontos adatok jelennek meg. A program módosítása, ellenőrzése számítógép segítségével helyben vagy távolról is történhet.
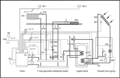
Meglévő, jól működő rézcsöves és gravitációs cirkós fűtések is gazdaságosan átalakíthatók szekcionált (osztott) és időjáráskövető rendszerré. A lakóház különböző helységeiben (szintjein) elhelyezett hőérzékelőkkel és a radiátorokra szerelt termoelektromos szelepekkel mindenhol biztosítani lehet a megfelelő hőmérsékletet. A ritkán vagy szakaszosan használt helyiségekben kisebb hőmérsékletet lehet tartani a falak kihűlése ellen. Használatba vétel esetén elegendő csak az adott szabályozót beállítani, ezután a rendszer a kívánt hőmérsékletet gyorsan megteremti, mivel a kazán a nagy víztömegű rendszernek csak egy részét melegíti (a többi helyiségben lévő szelep le van zárva, így azokat nem kell fűtenie, illetve a többi fűtőtesttől nincs hőelvonás). Növeli a komfortérzetet és egyben csökkentheti a fűtési költségeket, ha például a központi egységbe épített kapcsolóórát felhasználva a fürdőszobát csak reggel és este temperáljuk. A HMV-hálózat keringető szivattyúját be lehet úgy programozni, hogy figyeli a tényleges vízelvételt, és csak akkor működik, mikor valóban szükség van rá. Ezt egy egyszerű kapcsolóórával nem lehetne megoldani.

ajdhogynem végtelen számú variációból tevődnek össze. Egy ilyen irányítórendszer növeli a ház értékét, a lakók komfortérzetét, segíti – és nem elveszi – a szerelő munkáját, biztonságosabbá teszi az üzemelést, és nem utolsósorban csökkentheti az energiafogyasztást. Javítása egyszerű: ha valamelyik alkatrésze meghibásodik, akkor csakis azt kell kicserélni és nem drága pénzen az egészet, a számítógépes problémák pedig még egyszerűbben orvosolhatók.
Mező Gábor
