GÁZOS életünk alternatívái
2009/1-2. lapszám | Kiss Gábor | 5464 |
Figylem! Ez a cikk 17 éve frissült utoljára. A benne szereplő információk mára aktualitásukat veszíthették, valamint a tartalom helyenként hiányos lehet (képek, táblázatok stb.).
Nem is lehetne időszerűbb alternatív fűtési megoldásokról cikkezni, mint most, mikor saját bőrünkön érezzük meg az eddig oly jól megszokott, kényelmes GÁZ hiányát. A hőszivattyúk alkalmazása az eddigi, alapvetően gazdaságossági motivációkat most a biztonság kifejezésével párosítja. A közelmúltban bekövetkezett energiapiaci árváltozások révén a levegős hőszivattyú ma már egyértelmű alternatíváját jelenti a gázüzemű fűtésnek.
A levegős hőszivattyúk történelme
Az első levegős hőszivattyúk Japánban jelentek meg, már valamikor a múlt század derekán. Az 1950-es évektől kezdve gyakorlatilag sorozatgyártásban készültek elsősorban kompakt kivitelben, melyek XXI. századi korszerű leszármazottjai napjainkban is japán gyökerekből táplálkoznak. A kezdeti, egy helyiség fűtésére szolgáló „mono” megoldásokat hamarosan a multi rendszerek követték, melyekből valamikor az 1980-as évek elején kinőtte magát az első „változó tömegáramú hűtőközeg” rendszer, ismertebb nevén a VRV. A forradalmi megoldásnak köszönhetően a levegő, mint megújuló energiaforrás teljesen új értelmezést kapott. Az addig elsősorban a kondenzátorok hűtésre használt közeg a jelenleg egyre inkább kicsúcsosodó energiaválság központi szereplője lett – és előre láthatóan még inkább az lesz.
Jól megfigyelhető az a jelenség, ahogy a prémiumkategóriát jelentő VRF/VRV rendszerek egyedi technikai megoldásai helyet kapnak a legkorszerűbb „kompakt”, jelen esetben családi ház méretű levegős hőszivattyúk megalkotásában. Ma már nem lepődnünk meg egy levegős hőszivattyúba épített befecskendezős kompresszor alkalmazásakor, vagy ha mégis, akkor ez minden bizonnyal ez utóbbi, egyedülálló technikai megoldásnak köszönhető kivételes teljesítmény-leadásnak tudható be. Ma már létezik olyan berendezés, ami -15 ºC-ig nyújtja az állandó névleges teljesítmény kényelmét amellett, hogy -25 ºC-ig a garantálja a berendezés biztonságos üzemét, mindenféle segéd-elektromos kiegészítő fűtés nélkül. A sushi hazájában azonban már megint egy lépéssel előrébb járnak; 2010-re ígérik annak a VRF nagytestvérnek az érkezését, ami a fenti karakterisztikával, megbízhatósággal, üzemtartománnyal irodaházakat, szállodákat, sportlétesítményeket képes majd fűteni, lásd tervezés címszó alább.
Levegőkazán, „gyári csapatok”,OEM hőszivattyúk
Napjaink nyelvújító képességének köszönhetően ma már elfogadottan használják a „levegőkazán” kifejezést, melyet valószínűleg a levegőt hasznosító hőszivattyúk gazdaságos működése és a gáz megszokott megbízhatósága (vagy már nem is annyira? a szerző) asszociálhatott. A legkorszerűbb hőszivattyúk jelenleg is az ún. „gyári csapatok” kezei közül kerülnek ki; maguk tervezik, építik, tesztelik berendezéseiket a kompresszortól a kondenzátoron és elpárologtatón át az adatbuszos szabályzásig. Azok pedig, akik e fenti, jól csengő nevű gyártók kompresszorait OEM termékeikbe beépítik, minden bizonnyal a megbízható, hosszú élettartamú hőszivattyúkat célozzák megépíteni, általában azért egy lépéssel a „gyári” kiviteleket követve. A fentieket jól példázza, hogy míg a „top” levegős hőszivattyúk már kizárólag inverteres szabályozással kerülnek forgalomba, addig az egyéb gépekben még a fix fordulatú kompresszorok dolgoznak – a jól megszokott kompromisszumokkal.
![]() |
![]() |
![]() |
A levegős hőszivattyúk energetikája
Az energiaárak jelenlegi alakulásával már egyáltalán nem kérdés a levegős hőszivattyúk megtérülő, gazdaságos, üzembiztos alkalmazása. Megengedve a COP-egyenérték kifejezés bevezetését, könnyen kiszámítható az a jósági fok, ami felett üzemelő hőszivattyús rendszerünk (és nem csak maga a hőszivattyú doboza) gazdaságosabban működik, mint a földgáz, pbgáz stb. energiaforrások felhasználása esetén.
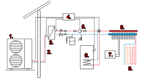
![]() |
| 1. Levegő hőszivattyú 2. Folyadék/gáz hűtöközeg, vezetékek 3. Inox/Dx/víz hőcserélő 4. PCB 5. Elektronikus szivattyú 6. HVM tárolótartály 7. Fancoil fűtés/hűtés 8. Osztó/gyűtjő 9. Padlófűtés vagy felület fűtés/hűtés |
E cikk megírásakor a COP-egyenérték = 3,1, jellemzően nappali elektromos energiafelhasználással földgázra vetítve. Amint a ZÖLDÁRAM bevezetésre kerül, az egyenérték valahol 2,3-2,6 körül alakulhat majd – az ígéretek szerint. (A „zöldáram” annak a kifejezetten hőszivattyúk használatára létrehozott elektromos tarifát/szolgáltatást jelöli, melyet legalább két éve ígérnek az elektromos szolgáltatók, és melyre egyre gyakrabban, egyre magasabb szinteken kapunk bíztató információkat. A szerző). Remélhetőleg ezzel megszűnik a hőszivattyúk hőtárolós kályhaként történő alkalmazása…
Az energiamérleg tekintetében a levegős hőszivattyúk és azok felhasználói kivételezett helyzetben vannak, ugyanis a gép adattábláján feltüntetett elektromos teljesítmény teljes egészében fedezi a hőszivattyús (kör) folyamat energiaigényét, tudniillik külső segédberendezésekre, vagyis szivattyú(k)ra nincs szükség – jellemzően. Vagyis a levegős hőszivattyút, mint hőtermelő berendezést nem kell kiszolgálni szondaköri, talajköri, kutas stb. szivattyúkkal. Ez utóbbiak jelentékeny hatással bírnak a rendszer jósági fokára.

A víz/víz hőszivattyús gyakorlat
A víz/víz hőszivattyús gyakorlattal rendelkezők nyilvánvalóan tisztában vannak vele, hogyan alakulnak a COP-értékek a különféle hőfoklépcsők (előremenő/visszatérő vízhőmérsékletek) esetén, mennyiben rontja a rendszer COP-ját egy visszatérővíz-szabályozás folyamatos szivattyúmunkával, avagy a magasabb komfortot jelentő zónaszabályozás hogyan degradálhatja a kiváló prospektus-COP-t a kevésbé gazdaságos alacsonyabb régiókba.
Az is nyilvánvaló, hogy a levegős hőszivattyúk hatékonysága jelentősen függ a külső hőmérséklet alakulásától. Egy -15 ºC külső hőmérséklet mellett üzemelő levegős hőszivattyú COP-ja köszönő viszonyban sincs a névleges +7 ºC-on mért jósági fokkal. Azonban, ha gazdaságossági szempontból vizsgáljuk levegős gépünket, egészen más következtetésre juthatunk; tudniillik ha figyelembe vesszük azt, hogy egy jelenleg piacvezető levegős hőszivattyú +7 ºC-on rendelkezésre álló 4,4 COP értéke – egy megfelelően hőszivattyús üzemre tervezett rendszerben - hozzávetőleg -5 ºC külső hőmérsékletig működik a bűvös COP-egyenérték = 3,1 felett, akkor a magyarországi időjárási viszonyok mellett a fűtési szezon jelentékeny – a jól becsülhető hideg napok kivételével teljes - részében gazdaságosabban üzemeltethető, mint gáz energiaforrás felhasználásával. Az energiaárak várható alakulásának, valamint a remélhetőleg bevezetésre kerülő hőszivattyús tarifának köszönhetően rövidesen egyáltalán nem lesz kérdés a levegős hőszivattyúk alkalmazása. A hőszivattyúk piacán egyértelmű áttekintést tesznek(tenne) lehetővé a már működő on-line mérések, vagyis ellátogathatunk olyan hőszivattyú-teszt weboldalakra, ahol a hőszivattyúkat működés közben, élőben tanulmányozhatjuk, letölthetjük a korábban mért adatokat. Ezzel nemcsak a leendő tulajdonosok, de a szakma is átfogó tapasztalatokra tehet(ne) szert.

Alkalmazások
Mint a bevezetőből is kitűnt, a levegős hőszivattyúk alkalmazása nem újkeletű. Magyarországon is már a 1990-évektől terveznek, építenek, üzemeltetnek levegős hőszivattyúkat. Az akkori úttörőknek köszönhetően a régióban elsőként Magyarországon jelentek meg a berendezések, és működnek még ma is. A változó hűtőközeg-tömegáramú rendszerek azóta is töretlenül terjednek, a forgalmazóknál lekérdezhető referenciák listája bőséges. Nem kérdéses ma már, hogy egy irodaházakban, szállodákban közkedvelt hagyományos gázkazán-folyadékhűtő párosítást minimum 40% energia-megtakarítással le lehet cserélni korszerű VRV/VRF rendszerre. Ez utóbbi rendszerek között létezik olyan is, amelyik gyári minősítéssel bír egészségügyi intézményekben való alkalmazásra!
Jelenleg jól megfigyelhető az a tendencia is, melynek eredményeként az eddig csak közületi prémium kategóriás levegős hőszivattyúk kifinomult megoldásai a családi házas dimenziókba is betörnek. Jó példa erre a ún. hűtőközeg-mennyiség rendszeres és automatikus ellenőrzése, melynek köszönhetően a hőszivattyúnk magától kijelzi, ha valamilyen oknál fogva szivárogna a közegünk; teszi mindezt jóval azelőtt, hogy a fűtésünk hirtelen leállna. Szintén jellemző levegős hőszivattyús felismerés, hogy (nagyobb) épületek esetén a teljes gépészeti tér, hívjuk kazánháznak, elhagyható, tekintettel arra, hogy az ún. kültéri készülékek és a beltéri egységek (hőleadók) egyetlen kisméretű rézcsőpárral vannak összekötve (átmérő 18-22 mm), és egyéb szivattyúra, tartályra, helyigényes gépészeti elemekre nincs szükség. Saját tapasztalatból tudom, hogy az ingatlanfejlesztők szeme csillog, mikor a drága gépészeti tér irodafunkcióra konvertálható, vagy szélsőséges esetben, szállodaméretekben bowlingpálya lesz a csőtenger helyén. A legkorszerűbb levegős hőszivattyús rendszerek már jól átgondolt hővisszanyerős megoldást is kínálnak, mellyel pl. hűtési üzemben a hulladékhő felhasználásával akár 50-60 ºC-os használati meleg víz is készíthető többfokozatú kompresszor segítségével.
Tervezés
A hőszivattyús rendszerek tervezésénél fokozott gondossággal kell eljárni. Ahhoz, hogy gazdaságosan üzemelő rendszert készítsünk, egy sor paramétert kell optimális értéken tartani. Remélhetőleg mielőbb előtérbe kerül majd az a fajta gazdaságos tervezésszemlélet, mikor a fűtési (na és persze a hűtési) rendszer minden elemét vizsgálat alá vetjük, a hőforrástól a szivattyúkig.
A teljesen átalakuló építési szokásoknak, rendeleteknek és ajánlásoknak köszönhetően még nem alakultak ki „ökölszámok” hőszivattyúk kiválasztására – szerencsére. Az épületek hőigénye igen eltérő lehet; 10 W/m2-től 80-100 W/m2-ig bármi előfordulhat manapság. Ahhoz, hogy megbízható, gazdaságos rendszert tervezhessünk, a kiválasztást egy alapos hőtechnikai méretezésnek kell megelőznie. Ezt követően kerülhet sor – persze a megrendelő igényeivel harmonizálva – a hőleadók kiválasztására. A jól ismert felületfűtések mellett helyet kaphatnak a fan-coilos alkalmazások, melyeket szintén ki lehet választani 35/30 ºC-os hőfoklépcsőre. (Megjegyzés: bizonyos típusú fan-coilok automatikus üzemben nem indulnak el 35 ºC-os belépő vízre, míg más típusoknál ez egyáltalán nem jelent gondot.)
A tervezés és üzemeltetés jelenleg is egyik sarkalatos pontja a fűtési (hűtési) puffertároló. Sokak szerint szükséges, míg mások szerint teljesen elhagyható. A hőszivattyús alkalmazásokban - tehát a levegős rendszerek esetén is - a puffertároló létét meghatározó rendszerelem a kompresszor. Vizsgáljuk meg először a korszerű, inverterszabályozású rendszereket, melyek legnagyobb előnye, hogy képesek az általuk leadott fűtési teljesítményt az épület aktuális hőigényéhez igazítani. Azt azért egyértelműen látjuk, hogy az inverteres kompresszor sem csodafegyver, van maximális és minimális teljesítménye, tehát létezik olyan üzemállapot, amikor a minimális teljesítmény leadása is nagyobb, mint az épület időjárásfüggő fűtési igénye. Ez a minimális teljesítmény a jelenlegi korszerű levegős hőszivattyúknál a névleges teljesítmény 40-50%-a, míg a csúcskategóriás, befecskendezéses gépek esetén jellemzően 20% a minimális elérhető teljesítmény.
A hagyományos, ún. ON/OFF kompresszorral szerelt hőszivattyúk teljesítménye gyakorlatilag állandó, teljesítményszabályzásra nem képesek; egyedül a vezérlőegység szerinti hiszterézis „játék” megengedett. Ezért van az, hogy az üzemidőket meghosszabbítva segédtárolót, vagyis puffert építünk a rendszerbe, hogy elkerüljük a gyakori ki/bekapcsolgatást. Kompresszortípusa válogatja, hogy hány kapcsolást engedélyez a gyártó; jellemzően óránként 4-6 a bekapcsolási határszám, melyet meghaladva a rendszer hibaüzenettel kiáll. Persze felfoghatjuk a fűtési rendszerünket is egyfajta puffertárolónak, amennyiben állandó tömegárammal számolhatunk. Tekintettel azonban a gazdaságos, korszerű, komfortos fogalmakra, ma már nem képzelhető el fűtési, hűtési megoldás zónaszabályzás nélkül, melynek lényege az időben és térben eltérő igények minél pontosabb kielégítése. Ezért mutatkozik a piacvezető hőszivattyúmárkák közt az a tendencia, hogy a folyamatszabályzást már a hőforrás-oldalon oldják meg. (Emlékezzünk csak vissza arra az időre, amikor a múlt századi fali gázkazánok között megjelentek az első lángmodulációsak.)
Ha és amennyiben nem fokozott célunk a komfort és maximális gazdaságosság biztosítása, akkor „fél fűtési rendszeren nyitva hagyott körökkel” még a minimális tömegáram is biztosítható…Szerencsére ma már a piacvezető forgalmazók állandó tervezői konferenciákkal, nyílt napokkal, egyes esetben hőszivattyú akadémia felállításával segítik a tervezőket, viszonteladókat, kivitelezőket és végfelhasználókat.
Beruházás, avagy napkollektor vagy hőszivattyú
A levegős hőszivattyús rendszereket terjedését is fokozott figyelem övezi, melyben a beruházási-megtérülési kérdés és az üzembiztonság kiemelt helyen van. Egy optimálisan felépített fűtési rendszerben a jelenlegi energiaárakkal számolva – levegős hőszivattyú esetén - az éves megtakarítás nagyságrendileg 20-30% körül van földgáz hordozót véve alapul. Ez egyértelműen javulni fog a zöldáram bevezetésével, melynek hatásaként – csakúgy, mint Franciaországban, Svájcban, Németországban, ahol az értékesített hőforrások jelentékeny hányada már most levegős hőszivattyú - hazánkban is várható a levegős hőszivattyúk rohamos terjedése. (Ezt látszik megerősíteni az a tény, hogy a levegős hőszivattyú-gyártók folyamatos csúcsterheléssel gyártják berendezéseiket a szállítási határidők elfogadható szinten tartásához.)
![]() |
![]() |
Érdekes megvizsgálni a megújuló energiaforrások hasznosítása kapcsán a levegős hőszivattyú és a napkollektor viszonyát. Kiindulva abból a tényből, hogy hazánkban a napkollektorok alkalmazása jellemzően a használati melegvíz-készítést - továbbiakban HMV – célozza, könnyen belátható, hogy a gázszámlánk tipikusan max. 10%-át kitevő HMV-készítést lehet napkollektorral kiváltani. Ezzel - egy négyfős családot alapul véve – az elérhető éves megtakarítással a megtérülési idő még mindig 5-10 év, de ami ennél sokkal szembeötlőbb, hogy ezzel a gázszámlánk mindösszesen 10%-án tudtunk takarékoskodni! Ha konkrét számokkal nem is, de informálisan mégis meg kell jegyezni, hogy egy HMV-készítésre tervezett napkollektoros rendszer költsége abszolút összemérhető egy levegős hőszivattyú beruházással; egyesek szerint egy HMV-készítő napkollektoros rendszer ára minimum eléri egy levegős hőszivattyús beruházás felét, míg mások szerint kompletten megvalósítható a hőszivattyús rendszer a napkollektorok árából – és nemcsak a gázszámla töredékén tudunk takarékoskodni. (Kikívánkozik belőlem, hogy egyszer már szeretném látni a napkollektoros rendszerek működtetéséhez szükséges keringető szivattyú hatását is az éves energiamérlegben, illetve a megtérülési számításban!)
A beruházási költségek kapcsán nyilván felmerülnek az elérhető állami támogatások is, melyek remélhetőleg egyre nagyobb mértékben segítik majd a környezetbarát, gazdaságos levegős hőszivattyúk terjedését.
![]() |
Kivitelezés
A levegős hőszivattyúk telepítése ma már jól átgondolt, szervezett formában történik, többnyire. A hőszivattyúk telepítése a bennük alkalmazott megfordítható hűtőkörfolyamat miatt elsősorban a klímaszerelők asztala. A kiemelt gyártók, forgalmazók rendszeres tanfolyamokat tartanak zöldkártyás klímaszerelőknek, akik szerzett képességeik birtokában könnyűszerrel elbánnak a levegős hőszivattyú „split” részével. Tapasztalat szerint fokozott igény mutatkozik a klímaszerelők fűtésszerelővé - és fordítva – képzéseire, mely tudás és gyakorlat birtokában megbízhatóan elindítható egy levegős hőszivattyús rendszer.
A hőszivattyú telepítése nem ér véget a klímás csövezéssel, vákuumolással, rányitással! Épp ellenkezőleg, igenis nagyfokú rálátás szükséges a fűtési rendszerre; hidraulikus váltó, változó tömegáramok, előremenő és zónaszabályzások stb. A hőszivattyúk telepítésére ideálisan a fent említett két alapszakmát gyakorló szerelő alkalmas, de összehangolt együttműködéssel a fűtésszerelő-klímaszerelő párosítás is csodákra képes, arról nem is beszélve, hogy jól felfogott érdekükben egymást is ajánlhatják a különféle megbízások kapcsán.
Összefoglalva lehet és kell is képezni szakembereket tanfolyamokon; meg kell adni minden segítséget nekik, hogy minél összetettebben, rendszerben tudjanak látni és gondolkozni – ez pedig már a forgalmazók felelőssége. A kivitelezés kapcsán beszélhetnénk továbbá a szükséges szigetelésekről (nem elég a 6 mm), kondenzátum-elvezetésről, leolvasztásról, az elektromos betáp kérdéséről, azonban jelen cikk terjedelme nem elegendő ahhoz, hogy az előbb említett tanfolyamokat kiváltsuk, inkább csak rávilágíthatunk a szerteágazó feladatokra, melyek a telepítés kapcsán felléphetnek; vegyünk részt tanfolyamokon.
Üzemeltetés
Felhasználó, kivitelező, gyártó, forgalmazó jól felfogott érdeke a hosszú távú, megbízható, gazdaságos működés. Levegős hőszivattyúk esetén a nagyfokú biztonságot már a gyártó nyújtja, vagyis leírja, dokumentálja a hőszivattyú üzemi paramétereit(COP stb.) az egyes külső levegőhőmérsékletek esetén. Amennyiben tehát a kültéri egységünk „lélegezhet”, vagyis a ventilátorok képesek átforgatni a szükséges légmennyiségeket - és nem tettük elzárt, kedvezőtlen fekvésű helyre, ahol a légáram pl. „rövidzárba” mehet –, akkor a levegős hőszivattyú garantáltan hozza majd a gyári paramétereket, meglepetések nélkül. (Nyilván az épületben fellelhető fűtési rendszer is nagyban befolyásolja a fűtőkörfolyamat működését, azonban ezt most nem sorolnám az előre nem látható, bizonytalan körülmények közé.) Anélkül, hogy a vizes hőszivattyús gépek kedvelőit megbántanám, gondolom, egyetértenek abban, hogy a talaj hőárama hordoz némi bizonytalanságot, melyet utólag vagy szezon közben már csak hőszivattyú oldalon lehet orvosolni, tudniillik a talajköri előremenő hőmérséklet csökkentésével korrigálható a kivehető teljesítmény. (Ez utóbb köztudottan nem tesz jót a COP-nak.)
Rendkívüli fontossággal bír a (levegős) hőszivattyúk szervizének kérdése. Ma már tökéletes biztonsággal alakíthatók ki monovalens fűtési rendszerek, egyáltalán nem szükséges a gáz bevezetése, ezzel viszont a levegős hőszivattyúk megbízhatósága, szervizellátottsága kerül előtérbe. Minden komoly gyártó/forgalmazó rendelkezik (kellene, hogy rendelkezzen) magyarországi alkatrészkészlettel, vállalják a gázos alkalmazásban megszokott 24 órás hibaelhárítást akár, csereberendezés ideiglenes beépítésével is. Aki pedig felújít, bővít, vagy csak több-lábon szeretne állni az energiaforrások tekintetében, annak egyelőre marad a gázkazánja, melyet harmonizálni kell és lehet a hőszivattyús rendszerrel. Ma már arra is van mód, hogy több hőforrásos rendszereket családi ház méretben is menedzseljünk, gazdaságossági szempont alapján dönthető el, hogy mikor melyik hőforrásom üzemeljen. Speciálisan a befecskendezős levegős hőszivattyúk megjelenésével előtérbe kerülnek a kaszkádszabályzások, vagyis több levegős hőszivattyú egy rendszerre dolgoztatása, mellyel egyszerűen hozhatók létre nagyobb teljesítményű, 200-300 kW-os rendszerek. A prémium levegős hőszivattyúk gyárilag fogadják a 0-10 V vagy 4-20 mA külső vezérlést, mellyel egyszerűen integrálhatók az épületfelügyeletre.
Környezetvédelem
A levegős hőszivattyúk megítélésekor nem vonatkoztathatunk el attól a ténytől, hogy alkalmazásukkal az üvegházhatást okozó CO2-kibocsátás mértéke jelentősen csökkenthető. Szeretném hinni, hogy a gépek megválasztásakor egyszer majd ez utóbbi tény is közrejátszik majd – remélem, mielőbb.






