A gázszolgáltató szemszögéből III.
2009/5. lapszám | VGF&HKL online | 3388 |
Figylem! Ez a cikk 17 éve frissült utoljára. A benne szereplő információk mára aktualitásukat veszíthették, valamint a tartalom helyenként hiányos lehet (képek, táblázatok stb.).
A múlt hónapban megvizsgáltuk a csatlakozó és fogyasztó vezetékek elhelyezésének szolgáltatói szempontjait, most a gázfogyasztó berendezések elhelyezési feltételeivel folytatjuk.
A gázfogyasztó készülékeket légellátásuk és égéstermék-elvezetésük szempontjából alapvetően három típusba soroljuk:
- „A” típusúak azok a készülékek, amelyek a felszerelési helyiségből veszik az égési levegőt, és az égésterméket is abba a helyiségbe bocsátják ki (jellemzően gáztűzhelyek),
-„B” típusúak azok, amelyek a felszerelési helyiségből veszik az égési levegőt, de a kültér felé égéstermék-elvezetőn keresztül (általában kémény) bocsátják ki az égésterméket,
- „C” típusúak azok, amelyek égéstere hermetikusan el van zárva a felszerelési helyiségtől, tehát az égési levegőt a szabadból veszik, és az égésterméket is a szabadba bocsátják ki.
Az „A” típusú készülékek
elhelyezésére vonatkozóan mind az OTÉK, mind a GMBSZ egymásnak ellent nem mondóan szabályozza azok elhelyezését. Az előbbi szabályozás szerint „égéstermék-elvezetés nélküli gázkészülék nem alkalmazható alvás céljára is szolgáló helyiségekben”. Kérdés marad viszont így a jelenleg népszerű „egyterű” lakásokban, garzonlakásokban a gáztűzhely alkalmazásának lehetősége.
A GMBSZ az ilyen készülékek légellátására 12 m3/kW/h friss levegő bejuttatását írja elő a készülék felszerelési helyiségébe. Ezen légmennyiséget a készülék egyidejűségi tényezőjével (tűzhelyeknél 0,5) számított hőterhelésre kell meghatározni és biztosítani. A GMBSZ az OTÉK-tól eltérően még ventilációs elszívó szellőzést (amely lehet szagelszívó) is előír a helyiségre, ám azok készüléküzemhez való reteszelését nem deklarálja. Itt jegyezzük meg, hogy az elszívó szellőztetésnél mindig gondolni kell az esetleg közös légtérben vagy légtér-összeköttetésben lévő helyiségben elhelyezett „B” típusú gázfogyasztó készülék (ez lehet nem csak gázüzemű, hanem vegyes tüzelésű is) megfelelő légellátására és égéstermék-elvezetésére. Egyes szolgáltatók kifejezetten tiltják a szagelszívó alkalmazását minden olyan térségben, ahol vagy azzal légtér-összeköttetésben „B” típusú készülék üzemel.
A „B” típusú gázfogyasztó készülékek közül a B14, B22, B23, B32, B33, B44 B52, B53 típusú készülékek
(1. ábra) az alvás céljára is szolgáló helyiségek, valamint az „A” és „B” tűzveszélyességi osztályba tartozó helyiségek kivételével elhelyezhetők, ha differenciál presszosztáttal rendelkeznek. Kivételt képez, ha a gázfogyasztó készülék az alkalmazott technológia része (nagykonyha, műhely, laboratórium, mezőgazdasági állattartó épület stb.), és a felállítási helyiségben túlnyomásos vagy kiegyenlített szellőzés üzemel. Ez esetben a gázfogyasztó készülékek üzemelését reteszelni kell a gépi szellőztetés működéséhez.
A B11, B12, B13, B21, B41, B42, B43, B51 típusú készülékek (2. ábra) épületek huzamos emberi tartózkodásra szolgáló helyiségeiben és az azokkal légtér-összeköttetésben lévő mellékhelyiségekben nem helyezhetők el, kivéve, ha az égéstermék-elvezetés mesterséges, vagy az égésilevegő-hozzávezetés a helyiségben túlnyomással biztosított. Mindkét megoldásnál a gázfogyasztó készülék működését a fenti feltételek meglétéhez reteszelni kell.
Ha a fogyasztási helyen vagy vele légtér-összeköttetésben lévő helyiségben elszívó szellőzés létesül, az nem csökkentheti a „B” típusú gázfogyasztó készülék égéstermék-elvezető berendezésének huzatát. Szükség esetén a gázfogyasztó készülék(ek), és a mesterséges szellőzőberendezés reteszelt üzemét biztosítani kell.
Az égésilevegő- és szellőzőlevegő-térfogatáramot az égéstermék-elvezető berendezésnek a vonatkozó magyar nemzeti szabvány (MSZ EN 13384-1 Égéstermék-elvezető berendezések. Hő- és áramlástechnikai méretezési eljárás. 1. rész: Égéstermék-elvezető berendezések egy tüzelőberendezéshez) nyomás- és hőmérsékletfeltételei szerint elvégzett méretezése során kapott részeredmények segítségével kell meghatározni.
Az áramlásbiztosítón keresztül a helyiségből távozó hígítólevegő-térfogatáramot a kéményméretezés eredményei alapján kell meghatározni. Az égéstermék-áramlásbiztosítón kilépő helyiséglevegő-tömegáram nagysága nem lehet kevesebb, mint az égéstermék-tömegáram 0,3-szerese.
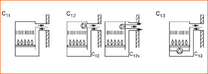
A „C” típusú gázfogyasztó készülékek (3. ábra) elhelyezésére – minden európai normatívától eltérően – az OTÉK ad szabályozást, amely rendkívül megnehezíti ezeknek a korszerű készülékeknek az alkalmazását.
A zárt égésterű, C11 típusú gázkályhák (konvektorok) falhüvelyének beépítésére lehetőleg nem teherviselő falszerkezetet kell választani. C11 típusú gázkonvektor gépkocsitároló fűtésére is alkalmazható.
![]() |
| 1. ábra |
![]() |
| 2. ábra |
![]() |
| 3. ábra |
Homlokzati égéstermék-kivezetés nem létesíthető:
- gyalogos- és gépkocsival használt átjárókban, aluljárókban, áthajtókban,
- légaknákban,
- légudvarban (kivéve, ha a készülék 5 kW-nál nem nagyobb teljesítményű, és a légudvar 50 m2-nél nagyobb keresztmetszetű – alapterületű),
- bevilágító aknában,
- zárt, át nem szellőző kis alapterületű belső udvarban, verandán, beépített loggián, tornácon, padláson, ki nem szellőző zugokban,
- a közvetlenül a csatlakozó járdaszinttől mért 2,1 m-es magasság alatt.
Homlokzati égéstermék-kivezetést
létesíteni építmény, építményrész homlokzatán nem lehet, kivéve az alábbi eseteket:
- a homlokzati égéstermék-kivezetési hely 10 m-es környezetében nincs épület,
- a már használatba vett, meglévő földszintes és szabadon, illetve oldalhatáron álló épület homlokzatán,
- a már használatba vett, meglévő többszintes épület homlokzatán azzal, hogy lakásfűtő (6 kW-nál nagyobb hőteljesítményű) és vízmelegítő (együtt vagy külön) gázfogyasztó készülék homlokzati kivezetésének tengelyétől mért 2-2 m-es sávban a kivezetés felett a teljes épületmagasságra vonatkozóan a homlokzaton szellőztetésre szolgáló nyílás vagy nyílászáró nincs.
Érintésvédelmi előírások
Olyan gázkészülék, amelynek villamos hálózati csatlakozása van, csak abban az esetben szerelhető kád fölé, kádhoz, zuhanyzóhoz 60 cm-nél kisebb vízszintes távolságban, ha a villamos részeinek IP-védettsége a vonatkozó szabványoknak megfelel. Az MSZ HD 60364-7-701 Kisfeszültségű villamos berendezések 7-701. rész. Különleges berendezésekre vagy helyekre vonatkozó követelmények. Helyiségek fürdőkáddal vagy zuhannyal, MSZ HD 60364-4-41 Kisfeszültségű villamos berendezések. 4-41. rész: Biztonság. Áramütés elleni védelem., MSZ EN 60529 Villamos gyártmányok burkolatai által nyújtott védettségi fokozatok (IP-kód) szerinti 0. sávban IPX7, az 1. és 2. sávban IPX4. Tisztítási célból vízsugárnak kitett villamos szerkezetek (pl. közfürdőkben, autómosókban) védettségi fokozata legalább IPX5 legyen. A fürdőkádat vagy zuhanyt tartalmazó helyiségben minden áramkört egy legfeljebb 30 mA névleges kioldóáramú áram-védőkapcsolóval (RCD-vel) kell védeni.


