Hogyan készítsünk jó padlófűtést?
2003/7-8. lapszám | Korompay Sándor | 106 209 |
Figylem! Ez a cikk 23 éve frissült utoljára. A benne szereplő információk mára aktualitásukat veszíthették, valamint a tartalom helyenként hiányos lehet (képek, táblázatok stb.).
A padlófűtés jó méretezés, megfelelően alacsony felületi hőmérséklet mellett ideális komfortot, gazdaságos fűtési rendszert biztosít. Nagyon jó, az emberi szervezet számára kifogástalan hőmérsékletelosztást alakít ki, így kitűnő tartózkodási klímát kínál a radiátoros fűtésnél cca. 2 ºC-kal alacsonyabb átlagos szobahőmérséklet mellett.
Frissítés: a témában új, videókkal kiegészített tartalom érhető el.
Az alacsonyabb átlaghőmérséklet energiamegtakarítást eredményez. A padlófűtés a hő 70%-át sugárzás útján közvetíti. Anélkül, hogy részletes fejtegetésekbe bocsátkoznánk, az 1.ábrán bemutatjuk, hogy az átlagember szervezete által ideálisnak érzékelt hőmérsékletelosztást mennyiben közelíti meg a radiátoros- és a padlófűtés. A padlófűtés előnye jól érzékelhető.

Fontos megjegyezni, hogy kizárólag padlófűtéses helyiséget csak akkor lehet készíteni, ha a hőveszteség az egészségügyi és komfortszempontoknak megfelelő padlóhőmérséklettel pótolható. Ha a helyiség nagy ablakfelületekkel, nem eléggé szigetelt határolófelületekkel rendelkezik, és a padlófűtés a megengedett felületi hőmérséklettel nem pótolja a veszteséget, kiegészítő fűtést kell alkalmazni. Nagyon gyakori igény, különösen kétszintes lakásoknál, hogy a helyiségek egy része padló-, más része radiátoros fűtéssel működjön. A kertkapcsolattal rendelkező nappali szobák padozatát például célszerű padlócsempével vagy kőlapokkal burkolni, így kínálja magát a padlófűtés, míg a többi lakóhelyiség meleg padlóburkolattal készül, logikusan fűtőtestek használatával. Mindig célszerű viszont a fürdőszobák padlóját melegen tartani. Erre az egyszerűen megoldható padlótemperálásra később még visszatérünk.
Az alacsonyabb átlaghőmérséklet energiamegtakarítást eredményez. A padlófűtés a hő 70%-át sugárzás útján közvetíti. Anélkül, hogy részletes fejtegetésekbe bocsátkoznánk, az 1.ábrán bemutatjuk, hogy az átlagember szervezete által ideálisnak érzékelt hőmérsékletelosztást mennyiben közelíti meg a radiátoros, és a padlófűtés.
A padlófűtés előnye jól érzékelhető
Fontos megjegyezni, hogy kizárólag padlófűtéses helyiséget csak akkor lehet készíteni, ha a hőveszteség az egészségügyi és komfortszempontoknak megfelelő padlóhőmérséklettel pótolható. Ha a helyiség nagy ablakfelületekkel, nem eléggé szigetelt határolófelületekkel rendelkezik, és a padlófűtés a megengedett felületi hőmérséklettel nem pótolja a veszteséget, kiegészítő fűtést kell alkalmazni.
Padlófűtés esetén a fűtő csőkígyó rejtve van a padlóburkolat alatt. Az elosztókat, szabályozóelemeket általában egy alárendelt helyiségben, falmélyedésben, szekrénybe zárva, vagy más célra készült beépített szekrény egy leválasztott részében helyezik el.
A padlófűtés szempontjából nem lényegtelen a padlóburkolat anyaga. Ideális esetben kő, márvány vagy padlócsempe alá fektetik a csöveket. Kedvezőtlenebb hőleadási paraméterekkel parketta alá is fektethető padlófűtés, de ez a megoldás még speciális technológiával ragasztott padlóburkolat esetében is kritikus, és utólag esztétikai problémákat okozhat. Ha feltétlenül parketta alá kívánunk padlófűtést készíteni, az a parketta gyártójával, kivitelezőjével történő szoros együttműködéssel kell történjen. Egyes gyártók erre speciális szerkezeti megoldásokat kínálnak sugárzó alátétekkel, ahol a fűtőcsövek szabadon, levegőtérben vannak a parketta alatt elhelyezve, de ezek használhatóságával, jóságával kapcsolatban nincs tapasztalatunk. A továbbiakban ezért mindig hideg burkolat alatti megoldásokról beszélünk.
Hőszigetelés, csőfektetés, aljzatbeton készítése
A csővezeték, illetve az azt befoglaló cement esztrich alá legalább 2 cm vastagságú polisztirol habanyagot, vagy ennek megfelelő hőszigetelési képességű szigetelő réteget kell tenni. A korábbi csőfektetési szokások szerint a hőszigetelésre vékony betonacél hálót fektettek, és erre kötözték fel 10, 15, 20, 25 vagy 30 cm csőtávolsággal a fűtőcsövet, majd megfelelő rétegvastagságban cement esztrichhel öntötték ki. Ilyenkor szükséges, hogy a kiöntés előtt a vashálót alátétekkel elemeljük a szigeteléstől, hogy az esztrich a vashálót is körülvegye. Ezt a megoldást mutatja a 2. ábra.

Manapság terjedőben vannak a gyorsabb csőfektetést biztosító előregyártott szigetelő táblák, amelyeken a csövek rögzítésére szolgáló nyúlványok vannak, hogy a kívánt csőtávolsággal a csőkígyó gyorsan, sérülésmentesen elhelyezhető legyen. Egy Magyarországon gyártott, korszerű és elérhető áron kapható szigetelőpanelt mutat a 3. ábra. A cement esztrich egy szokványos aljzatbeton, viszonylag kis szemcsenagyságú (0-8 mm) sóderanyagból, 350-450 kg/m³ cementmennyiséggel. Ez az összetétel jó szilárdságot, repedésmentességet és megfelelő vízmennyiség hozzáadásával olyan konzisztenciát, bedolgozási tulajdonságot biztosít, amely garantálja a csövek hézagmentes körülfogását és a jó hővezetést.

Nagyon fontos a csövek vízszintes elhelyezése. Nem lehet olyan szakasz a felületen, ahol a csővezeték akár csak rövid szakaszon a teljes csőkígyó szinthez képest felfelé vagy lefelé eltér. Ha a helyiségben eltérő magasságban vannak padlófelületek – ez manapság megszokott – külön fűtőkígyót fektessünk az eltérő szintmagasságú felületek alá. A hőleadó felület tágulására ügyelni kell. Nagy tereknél, tornatermekben, közösségi épületekben az építész által előírtak szerint kell eljárni. Szokványos esetben, családi házaknál a falak mentén 2 cm vastag polisztirol csíkot kell használni, részben a falak felé történő hőátadás megakadályozása, részben a hőtágulás felvétele érdekében. Fontos, hogy ez a szigetelőcsík a kiöntés előtt az alsó szigetelésre ráfeküdjön és a kiöntés során az esztrich réteg sehol se érintkezzen a falazattal. Az esztrich vastagsága a cső felett általában 3-3,5 cm. Erre kerül a fektető habarcs, majd a csempe- vagy márványburkolat.
A csőfektetésnél az egyenletes padlóhőmérséklet biztosítása érdekében olyan fektetési rendszert kell alkalmazni, ahol egymás mellett váltakozva fekszenek előremenő és viszszatérő ágak. A legkedvezőbb csőfektetési módot, a kettős csigavonal-fektetést a 4. ábrán mutatjuk be. Sokan úgy gondolják, hogy ez egy meglehetősen komplikált, nehezen kivitelezhető forma, de ha gyakorlatot szerzünk ilyen szereléssel, könnyen megvalósítató. Különösen egyszerű ez, ha rögzítőelemes hőszigetelő aljzatot használunk.
Elfogadható, de az előzőnél lényegesen kedvezőtlenebb megoldást jelent az 5. ábrán bemutatott kettős párhuzamos fektetés. A 6. ábrán látható egyszerű párhuzamos elhelyezést feltétlenül kerülni kell, mert azzal jelentős padlóhőmérséklet-különbségek adódnak. Ha ilyen megoldást választunk, később ennek hibája egyszerűen megállapítható, reklamáció lehet az eredmény.
Általában elmondható, hogy nem célszerű 100 m-nél hosszabb körökkel számolni. A 120 m kimondottan maximumnak számít. A 100 fm csőhosszal különböző csőtávolságok mellett az alábbi padlófelületek készíthetők.



Elérhető hőteljesítmények
Az előzőekben már jeleztük, hogy a padlófűtés hőleadásának vannak korlátai. Állandó tartózkodásra szolgáló helyiségekben 23-28 ºC maximális felületi hőmérséklet alkalmazható, mert ennél magasabb hőmérséklet esetén az emberek talpát érő hőhatás kellemetlen érzést, egészségügyi problémákat eredményez. Óvodákban, bölcsődékben a max. felületi hőmérséklet 24 ºC , fürdőszobákban 29 ºC, uszodai kövezetnél 32 ºC engedhető meg. Ritkább csőfektetéssel, alacsonyabb vízhőmérséklettel alacsonyabb padlóhőmérséklet és hőleadás választható, sűrűbb csövekkel, magasabb vízhőmérséklettel nagyobb értékek. Tekintettel arra, hogy a kész padlófűtési rendszerben a kialakítás, a sűrűség már adott, a vízhőmérséklet változtatásával tudunk majd beavatkozni, szabályozni.
Ha a padlófűtéssel felszerelni tervezett helyiség hőveszteségének pótlásához 100 W/m²h fajlagos padló-hőleadás elegendő, kiegészítő fűtés nélkül lehet padlófűtést alkalmazni. Ha a hőveszteség ennél nagyobb, kiegészítő radiátoros fűtéssel kell a különbözetet pótolni.
Ha a következő fejezetben leírt csőfektetési előírásokat betartjuk, 21 ºC helyiséghőmérsékletet feltételezve, 31 ºC közepes vízhőmérséklettel (35/27 ºC) az 1. táblázatban lázható hőteljesítmények és felületi hőmérsékletek várhatók.
A 2. táblázatban láthatjuk hogy ugyanezeknek a paramétereknek a felhasználásával 36 ºC átlaghőmérsékletű víznél (40/32 ºC) milyen változások várhatók.
A teljes padló hőleadása szempontjából figyelembe kell venni a várható bútorozást. Tekintettel arra, hogy a fűtés készítésekor általában erről nincs információnk, a teljes felület 80-85%-át lehet csak hőleadás szempontjából figyelembe venni. Ezt a kérdést javasoljuk a megrendelővel egyeztetni.
A fűtési csöveket egy-egy helyiségben nem kell feltétlenül azonos csőtávolsággal fektetni. A nagyobb hőveszteségű részeken, pl. nagy üvegfelületek mentén vagy rosszul szigetelt hideg falak mellett sűrűbb, a többi helyen ritkább osztás választható. Eltérő csőosztás egy körön belül is nyugodtan készíthető.
Csőanyagok
A korábban használt acélcsövek teljesen kiszorultak a használatból korrózió, a kötések nehézségei és a nagy hőtágulási erők miatt. Rézcsöves szerelés előfordul tekercsben árult műanyagburkolatos csőből, de a magas ár és a jelentős hőtágulás miatt csak kis kiterjedésű, kiegészítő padlótemperálás esetén jön számításba.
Forgalomban vannak még oxigéndiffúzióra hajlamos polipropilén csövek, de ezek használatával óvatosan kell bánni. A betonba fektetett cső oxigént vesz fel, így a rendszerhez tartozó acélelemek, kazánok, fűtőtestek, osztók erősen korrodálnak. A fűtővíz sötét fekete színe, az esetleges rozsdaszemcsék az így készült korábbi rendszereknél jóelőre jelzik a közeli fűtőtest-lyukadást. Ilyen esetben az az egyetlen megoldás, ha az oxigéndiffúzióra hajlamos PP csövet tartalmazó rendszert rozsdamentes hőcserélővel leválasztjuk az acélanyagot is tartalmazó primer körről. Ne felejtsük el, hogy a padlófűtési oldalra külön tágulási tartályt kell szerelni.
Az oxigéndiffúzió elkerülése és a magasabb üzemi hőmérséklet biztosítása érdekében születtek a PEX és az alumíniumbetétes ALU-PEX csövek. Ezeket nagy biztonsággal lehet használni padlófűtésre és nincs szükség hőcserélővel történő leválasztásra. Használatuk gyorsan terjed.
A műanyag csövek kötése szorítógyűrűvel rendkívül egyszerű, de soha ne használjunk kötést a betonnal kiöntésre kerülő szakaszban. A forgalomban levő tekercsek mérete az említett max. 100-120 fm padlófűtési körök mellett ilyen kötéseket nem is tesz szükségessé.
Padlófűtési osztók-gyűjtők, a körök hidraulikai beszabályozása
A padlófűtési körök hidraulikai beszabályozása rendkívül fontos dolog. Sok helyen találkozunk rossz fűtési eredményekkel a beszabályozás hiánya miatt. Ennek oka általában az, hogy az alacsony árfekvésű, belföldön gyártott osztó-gyűjtők szerelvényei csak nehézkesen, vagy egyáltalán nem teszik lehetővé a beszabályozást. Az egyes beállítási pozíciók nincsenek megjelölve. Egy esetleges későbbi zárás-nyitást követő eltérő helyzetet vagy illetéktelen elállítást nem lehet észrevenni.
A nyugat-európai padlófűtésrendszer-gyártók igyekeznek korszerű osztó-gyűjtő csoportokat forgalmazni, ahol precíz előbeállítás, attól független nyitás-zárási lehetőség található, de e termékek magas árfekvésük miatt nem tudtak elterjedni a szerelési gyakorlatban. Maradt tehát a beszabályozás nélküli vagy nem tökéletesen beszabályozott rendszerek gyakorlata.

Egy új osztótípusról készített felvétel látható a 7. ábrán. Az osztó szelepei olyan kézikerékkel rendelkeznek, amelyen a körhöz tartozó helyiség jele egy elforgatható kulissza segítségével megjeleníthető, így a szerelők és a rendszer használói is informálva vannak a körök bekötési sorrendjéről (8. ábra). Az alsó gyűjtőbe a korábbi egyszerű szelep helyett egy speciális, előbeállítással rendelkező szelep kerül beépítésre, amelyen 7+1 pozíció szerepel a kör vízmennyiségének pontos beállítására (9. ábra). A nyitó-záró funkció egy felhelyezhető piros zárókerék segítségével az előbeállítástól függetlenül végezhető, így egy esetleg szükséges kizárás, majd visszakapcsolás után a kör korábban beállított vízmennyisége változatlan marad.


Külön előnyt jelent hogy a beépített szelepek precíz gyártása, az egyes pozíciókhoz tartozó konkrét ellenállási értékek lehetővé teszik, hogy a padlófűtés méretezésekor rögtön meghatározásra kerüljön körönként a szükséges előbeállítási érték. Szereléskor ezeket a pozíciókat egy-egy kézmozdulattal pillanatok alatt be lehet állítani, nincs szükség helyszíni mérésre. Az így beszabályozott rendszer minden köre tökéletes egyensúlyban fog működni a megrendelő teljes elégedettsége mellett.
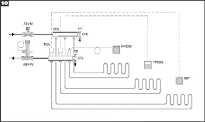
Ha épületegyüttes vagy soklakásos ház készül padlófűtéssel, ahol közös szivattyú szolgáltatja a fűtővizet több osztó-gyűjtő egységhez, szükséges a vízelosztás kézbentartása érdekében, hogy az osztó-gyűjtő elé nyomáskülönbség-beszabályozót építsünk. Egy ilyen kihelyezett osztó-gyűjtő kapcsolását mutatjuk be a 10. ábrán.

Előremenő hőmérséklet és annak szabályozása
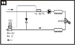
A padlófűtések előremenő hőmérséklete a radiátoros rendszereknél megszokott értéknél lényegesen alacsonyabb. Vegyes rendszer, radiátoros fűtéssel együtt történő alkalmazás mellett hőcserélővel, vagy oxigéndiffúziónak ellenálló padlófűtési vezetékek alkalmazása esetén a radiátoros rendszer vizéből keveréssel állítható elő a megkívánt alacsonyabb előremenő hőmérséklet. Egyszerűbb esetben állandó hőfokra szabályozva, igényesebb esetben időjárásfüggő szabályozással.
A 11. ábra egyszerű, állandó előremenő hőmérsékletet biztosító, segédenergia nélküli szeleppel történő keveréses szabályozás kapcsolását mutatja.

Az új típus előnye, hogy a szelepekre termikus hajtómű vagy segédenergia nélküli szelepmozgató szerelhető, ha helyiségenkénti szabályozásra van igény. A helyiséghőmérséklet szabályozásáról a következő cikkben lesz szó.
