Barion Pixel

VGF&HKL szaklap

Google Kiemelt hírek

Komplett megoldást nyújtanak fűtésre, hűtésre, használati melegvíz-előállításra a HAJDU hőszivattyúi

2022. augusztus 31. | támogatott cikk, szponzor: Hajdu |

Komplett megoldást nyújtanak fűtésre, hűtésre, használati melegvíz-előállításra a HAJDU hőszivattyúi

Az energiahatékonyság jegyében egyre több lehetőségünk van a lakóházunk fűtésének, hűtésének, melegvíz-ellátásának a korszerűsítésére, amelyhez kiváló megoldást nyújt a HAJDU HPAW hőszivattyú termékcsaládja.

A hajdu HPAW levegő-víz hőszivattyúk korszerű R32-es hűtő közeggel működnek, tehát nem károsítják az ózonréteget. Monoblokk kialakításúak, azaz nincs külön beltéri egységük. Minden alkotóelem a kültéri egységben van elhelyezve, ennek köszönhetően a készülékek gyorsan és könnyen telepíthetők.

A hajdu HPAW levegő-víz hőszivattyúk fűtési és hűtési rendszerekben, valamint használatimelegvíz-előállításra egyaránt használhatók. Kombinálni lehet őket hagyományos vagy más fűtési rendszerekkel.

A hőszivattyúk új vagy meglévő ingatlan gázfűtési rendszerére történő csatlakoztatása

Új építésű ingatlannál mérlegelni kell a telepítés költségei miatt, hogy milyen konfigurációt érdemes választani. A hőszivattyú könnyen illeszthető a kondenzációs gázkazánhoz, de széles tartományok között (akár –20 °C-ig is), önmagában hőszivattyús üzemben is ki tudnak szolgálni minden igényt. Ettől hidegebb időjárás esetén valamennyi készülék rendelkezik villamos pótfűtéssel, amely átmenetileg kisegíti a készülék hőszivattyús üzemét extrém hideg körülmények között is.

A meglévő gázkazán mellé választott kisebb teljesítményű hőszivattyú gazdaságos megoldást kínál. A téli extrém hideg időszakban, amikor a kisebb teljesítményű hőszivattyú már nem tudja a biztosítani a megfelelő hatékonyságú fűtést, a gázkazán rá tud segíteni a fűtési teljesítményre.

A hőszivattyú meglévő fűtési rendszerbe történő becsatlakozásakor fontos a rendszer megfelelő tisztítása.

A hőszivattyúk használata hűtésre

A HPAW hőszivattyúk többféle, előre definiált hűtési beállítással rendelkeznek, ezek egy egyszerű összehangolás után az épület saját hűtési rendszeréhez igazíthatók.

Gépészeti csatlakozási példák használati melegvíz előállításra

A HAJDU kondenzációs gázkazánok komplex megoldást jelentenek fűtési és melegvíz-rendszerek kialakítására, valamint kiválóan alkalmasak napkollektoros rendszerbe illesztésre. A hajdu HGK és HGK Smart típusú kondenzációs gázkazánok speciálisan kialakított hőcserélőinek köszönhetően a fűtés és melegvíz-előállítás egymástól függetlenül is üzemelhet. A nagy teljesítményű, STXL típusú tartályokat kifejezetten hőszivattyús rendszerekhez ajánlják.

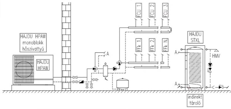
HPAW hőszivattyú + STXL indirekt fűtésű forróvíztároló

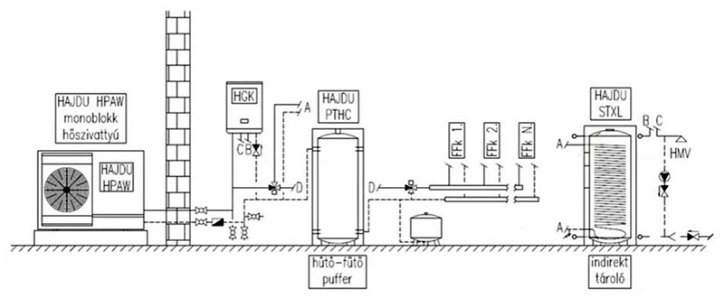
Hűtési-fűtési puffertároló hidraulikus váltóként való bekötésével a rendszertérfogat növelhető.

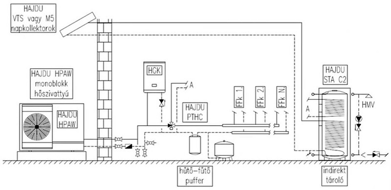
HPAW hőszivattyú + HGK gázkazán + VTS vagy M5 napkollektor + STA...C2 indirekt fűtésű forróvíztároló

HPAW hőszivattyú + HGK gázkazán + STXL indirekt fűtésű forróvíztároló + átfolyós rendszerű vízmelegítő

A hőszivattyúk telepítési szempontjai

  • lehetőség szerint a készülék a hőközponthoz minél közelebb legyen, ahol 2 fűtési vezeték csatlakoztatható a fűtési hálózatba
  • a készülék cső- és kábelhosszúságai a megengedett tartományokon belül legyenek
  • olyan biztonságos helyszínt kell választani, ami elbírja a berendezés súlyát és rezgését, illetve ahol a készüléket sima, vízszintes felületen lehet beszerelni
  • a választott helyszín jól megközelíthető legyen, hogy ne akadályozza semmi a telepítést és a későbbi üzemeltetés során felmerülő karbantartást
  • célszerű olyan telepítési helyet választani, ahol a hó és a szél együttes hatása elkerülhető
  • lehetőség szerint közvetlen napsugárzás ne érje a készüléket

A hőszivattyúk telepítésének munkafolyamatai

  • a monoblokk egység telepítése kültéren
  • csőszerelés
  • villanyszerelés
  • üzembe helyezés és konfigurálás (a HAJDU végzi el)

Ajánlott a kedvezményes hőszivattyú tarifa igénylése. Valamennyi hajdu hőszivattyú telepítése vissza nem térítendő napelemes támogatás, vagy otthonfelújítás támogatás részeként igényelhető fűtéskorszerűsítő beruházás is lehet.

HAJDU podcast-sorozata részletesen körbejárja a hőszivattyúkkal kapcsolatos egyéb kérdéseket is.

Forrás: Proidea

 

A VGF&HKL egy havi megjelenésű épületgépészeti szaklap, amely nyomtatott formában évente 10 alkalommal jelenik meg. A lap cikkei a fűtéstechnika, gázellátás, vízkezelés területei mellett a hűtés-, klíma- és légtechnika témaköreit tárgyalja. A VGF elsődlegesen az épületgépészeti kivitelezéssel foglalkozó szakembernek szól, de haszonnal olvashatják üzemeltetők, társasházkezelők, beruházók, ingatlantulajdonosok és mindenki, aki érdeklődik a terület újdonságai, problémái és megoldásai iránt.

A VGF&HKL előfizetési díja egy évre 13 990 Ft, amelyért 10 lapszámot küldünk postai úton. Emellett az előfizetőink pdf-ben is letölthetik a legfrissebb lapszámokat, illetve korlátlanul hozzáférhetnek a korábbi számok tartalmához is, így közel 26 évnyi tudásanyagot vehetnek bírtokba.

Érdekel az előfizetés →

Beleolvasok →

 

HajduHőszivattyú